In this article, we will talk about Volvo TAD engine electronic diesel control. The TAD Series engines are direct injection in-line 4 and 6 cylinder diesel engine equipped with electronically controlled fuel management (EDC 4), turbocharger, thermostatically controlled cooling systems and electronic speed control. All TAD engines are also fitted with charge air-coolers.
EDC 4 (Electronic Diesel Control) is an electronic system with CAN (Controller Area Network) or potentiometer communications for diesel engine control. The system includes fuel management and diagnostic functions.

Overview
The system includes sensors, control unit and an engine speed regulator. The sensors send input signals to the control unit, which in turn governs the injection pump control rack by means of an actuator in the engine speed regulator.
Input signals
The control unit receives input signals about engine operating conditions from the following components:
1. rpm sensor, camshaft
2. coolant temperature sensor
3. charge pressure sensor
4. oil pressure sensor
5. fuel temperature sensor
6. coolant level sensor (the function is implemented in the control unit as standard, but no sensor is supplied with the engine as a standard feature.)
Output signals
The control module uses the input signals to control the following components:
1. engine speed regulator (with position sensor for the control rack and actuator)
2. electric air preheating (option)
Information from the sensors provides exact information about current operation conditions and allows the processor to calculate the correct fuel volume, check engine status etc.
Diagnostics function
The task of the diagnostics function is to detect and localize any malfunctions in the EDC 4 system, to protect the engine and to ensure operation in the event of serious malfunction.
If a malfunction is detected, notification is made either by the diagnostic function, by warning lamps or via the CAN network. Pressing the diagnostic button will provide the operator with a fault code for guidance in any fault-tracing. Fault codes can also be read off via the CAN interface or using the Volvo VODIA tool (including Penta EDC 4 software) at an authorized Volvo Penta workshop.
If there is a serious malfunction, the engine is shut down altogether. Here too, fault codes can be flashed out via the diagnostics connector, the CAN interface or with the Volvo VODIA tool (including th Penta EDC4 software) at an authorized Volvo Penta workshop.
Instruments and Controls
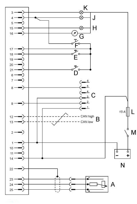
Gauges
The engines are not supplied with instruments and controls. The choice of instruments and controls is up to the customer. Below is a description of the functions available.
A. Rpm-potentiometer (Throttle control)
B. CAN interface SAE J 1939
C. VODIA input
D. Droop switch
E. 1500/1800 switch
F. Diagnostics button
G. Tachometer
H. Warning lamp, oil pressure
J. Diagnostics lamp
K. Warning lamp, coolant temperature
L. Fuse15A
M. Main switch
N. Battery (orange indication) (24/12 V)

If you are interested in Volvo TAD Series engine TAD734GE diesel generator set , welcome to contact us for further information.
Copyright © Guangxi Dingbo Generator Set Manufacturing Co., Ltd. All Rights Reserved | Sitemap
Update cookies preferences